HDM434431A 手動上掀隔離箱
產品介紹
無線電磁波訊號隔離箱,用於搭配頻譜分析儀及無線通訊綜合測試儀器,量測無線電磁波訊號時使用,HDM434431A 適用頻段從 700 MHz to 8 GHz 之隔離度可達 -90dB,隔離箱其隔離原理是利用金屬導電特性將電磁波隔離於箱體外,以確保無線通訊產品在箱體內不受外界雜訊干擾達到無線訊號測試的穩定性及精準度,同時配置高隔離度濾波器,支援各種界面如 : RS-232、RJ45、USB 2.0、USB3.0、DC、AC 可用於連接箱體外部所需的測試儀器設備及電腦。
產品特點
採用板金材料,加以堅固可靠的設計
齊全的濾波器介面,讓客戶有更好的選用彈性
採用擠壓式封口設計,得到更好的隔離效果
產品應用
HDM434431A 隔離箱適用於無線通訊產品測試頻段介於 700 MHz 到 8 GHz 之相關產品,
如 : LTE module、Wi-Fi AP router、Wi-Fi Module、Bluetooth Module、GPS module、手機測試等。
技術規格
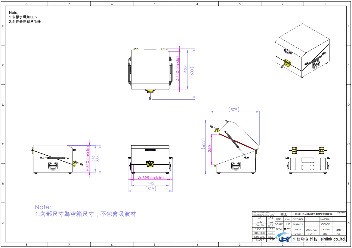
外尺寸 |
519(W)*600(D)*336(H) |
內尺寸 |
395(W)*410(D)*310(H) |
工作頻率 |
0.7 GHz ~ 8 GHz |
隔離效果 |
-90±5 dB |
材質 |
不鏽鋼板 |
開啟方式 |
手動上掀 |
最大濾波器擴充數 |
4 |
濾波器介面 |
VGA, DB25, USB2.0, USB3.0 SMA, RJ45, DC, AC, etc. |
工作溫度 |
常溫 |
顏色 |
象牙白 |
結構示意圖
.jpg)